• 首页
  • 产品
      智能车机 360°全景 记录仪 车载配件
    智能车机
    ES4
    EC2
    X3
    X3 Pro智能车机
    更多
    FA系列
    X2-Pro
    GS2_Pro
    ES2
    X2
    大众MQB原厂款
    ACE
    GX酷享版
    GS2
    ES1
    GE
    X1
    GXIV
    开拓者6S系列
    360°全景
    GT2
    V2
    GT1
    更多
    SV1
    V1
    记录仪
    流媒体智能后视镜
    Flyaudio AR实景行车记录仪
    隐藏式专车专用行车记录仪
    隐藏式通用行车记录仪
    更多
    FHD行车记录仪
    HD行车记录仪
    车载配件
    吸顶智能电视
    轻奢版喇叭
    优雅版喇叭
    黄金版喇叭
  • 资讯
  • 服务
  • 下载
  • 在线商城
  • 经销商查询

    31个省市自治区

    500多个城市

    1800+飞歌销售网点

    我们就在您的身边

    经销商查询

      选择省份选择省份
        选择市/区
        查询
        关闭
        首页/产品文档/产品文档

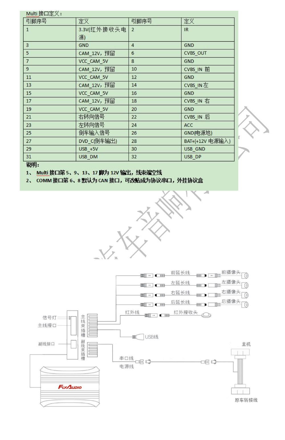
        飞歌360°全景行车辅助系统——协议一体机操作说明书

        2020-12-15

        上一页:Flyaudio 360°全景行车辅助系统——V2安装及使用说明
        下一页:Flyaudio新记录仪使用说明书
        关注我们 400-700-8180
        Copyright © 2017-2020 广州飞歌汽车音响有限公司信息产业部网站备案号:粤ICP备07503328号粤公网安备 44011602000135号